Document Center
DC Home - My Member Info - Logout
 
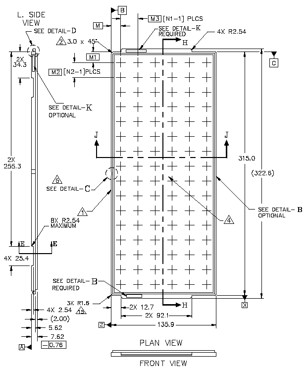
Tray QFP
Click here for this drawing in PDF format.







Example Tray



Select Another Drawing Doc Center Main Menu TopLine Home




TopLine Corporation
95 Highway 22 W
Milledgeville, GA 31061, USA


Email: sales@TopLine.tv

Toll Free USA/Canada (800) 776-9888
Tel: 1-478-451-5000

©2026 TopLine. All Rights Reserved.